www.wartburgpeter.de
Momentanverbrauchsanzeige des Trabant
Wenn von Momentanverbrauchsanzeige die Rede ist, sollte auch die kleine Variante des Trabant dargestellt werden, die es als Nachrüstsatz zu kaufen gab. Hier einige Bilder davon.
Jan hat mir die Arbeit abgenommen und den Schaltplan zu diesem Anzeigeinstrument abgenommen. Herzlichen Dank dafür! Ich darf Ihnen die Schaltung zum Download anbieten (am Ende der Seite).
![]() |
Von dieser Anzeige gab es mehrere Varianten:
|
![]() |
![]() |
![]() |
Übersichtlich und sehr reparaturfreundlich. Beide Platinen sind miteinander verlötet. Der Formring für die LED's ist leider auf der Rückseite verschmolzen, läßt sich jedoch nach einer Demontage durchaus wieder befestigen. |
![]() |
![]() |
![]() |
![]() |
![]() |
![]() |
![]() |
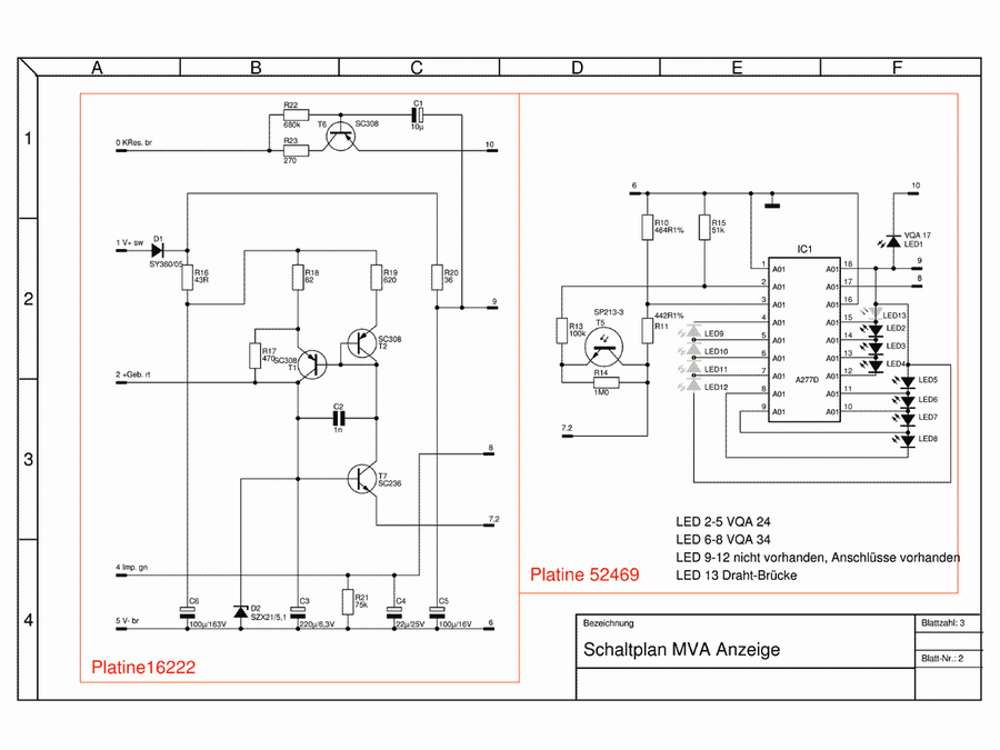
Stromlaufplan der Anzeige (2 Platinen). |
![]() |
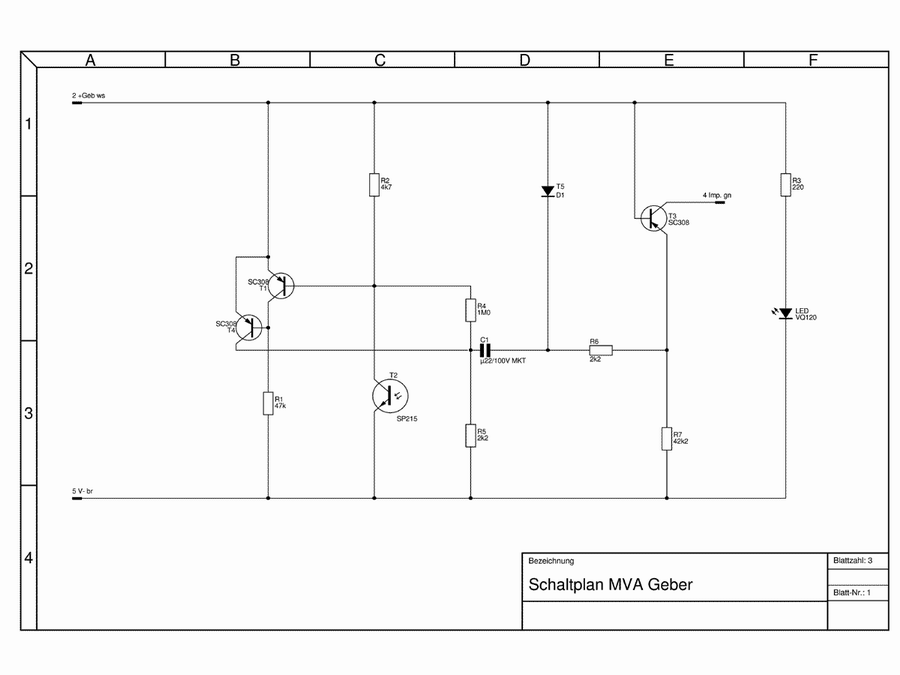
Stromlaufplan des Gebers Dieser Plan hat vermutlich auch Gültigkeit für den Geber vom Wartburg 353. Ich habe das noch nicht überprüft, möglicherweise gibt es Abweichungen bei den Widerstandswerten. |
| Von Andreas habe ich Kopien von der den Reparaturunterlagen zur Aufbauvariante mit den 12 LED's bekommen. KMVA für 6V und 12V. Leider ist die Kopie sehr schlecht zu lesen. | ![]() |












